Toll Free: 1-800-262-4638

Alnico Bars Magnet
Alnico Channel Magnet
Alnico Horseshoes Magnet
Alnico Holding Magnet
Alnico Plugs Magnet
Alnico Rods Magnet
Ceramic Magnets
Neodymium Magnets
Samarium Cobalt Magnets
Flexible Magnets
Surplus Magnets
TYPICAL MAGNETIZATION PATTERNS


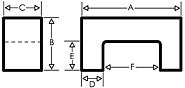
Part No.
Wgt.
Lbs.
Lbs.
Pull
Dimensions in Inches
A
B
C
D
E
F
ACH1945
.007
0.5
0.5
0.312
0.187
0.156
0.125
0.187
ACH79
.031
1.0
0.79
0.445
0.364
0.189
0.245
0.412
ACH1950
.153
12.0
1.5
0.875
0.5
0.5
0.312
0.5
All dimensions approximate and as cast with pole faces ground smooth. Other sizes may be available upon request. Note: Part No. ACH1945 is available in up to 5” lengths along the “C” dimension. Part No. ACH1950 is available in up to 6” lengths. Part No. ACH79 - all surfaces are ground smooth. Minimum order quantities apply.
Copyright © ALL Magnetics Inc Tel: 714-632-1754 Address: 2831 Via Martens, Anaheim, CA 92806